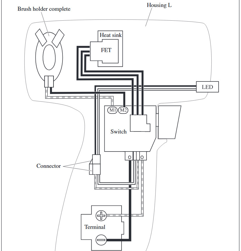
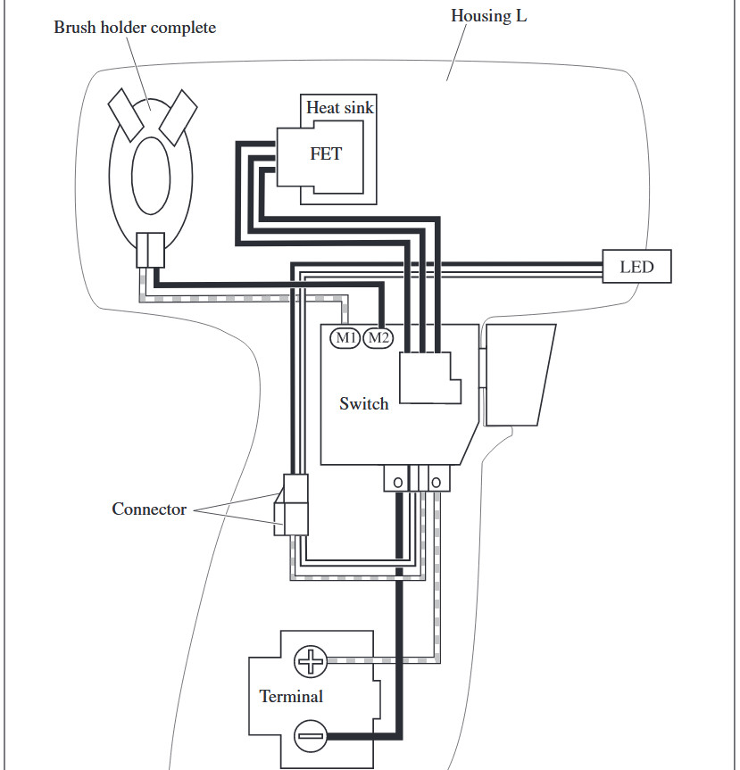
Electric Drill Motor Wiring Diagram / Wiring Ac Electric Drill Without Switch Doityourself Com Community Forums -

Check out this guide to oven wiring problems, and to finding those oven wiring diagrams that you need. Find out how everything works with electric motor pictures. They also conduct electricity in appliances and electronic devices. Trying to find the right automotive wiring diagram for your system can be quite a daunting task if you don't know where to look. Learn the best uses for the different types of drills.

Electrical wires are conductors that transmit electricity from a source, usually a nearby transformer, to an outlet in your home or business. Drilling Rigs Power Supply Methods To Enhance The Reliability Of The Drawworks Drive Power Supply Rogtec
Drilling Rigs Power Supply Methods To Enhance The Reliability Of The Drawworks Drive Power Supply Rogtec from rogtecmagazine.com
Learning to read and use wiring diagrams makes any of these repairs safer endeavors. Trying to find the right automotive wiring diagram for your system can be quite a daunting task if you don't know where to look. Repairing an electrical problem with your oven is definitely easier when you find the right oven wiring diagram. Milwaukee the electric drill is about as versatile as a tool can get. Spending all day driving screws is a tiring job, especially if the tool you're using to do it is bulky and heavy. Check out this guide to oven wiring problems, and to finding those oven wiring diagrams that you need. These electric motor pictures take you inside a typical toy motor. Electrical wires are conductors that transmit electricity from a source, usually a nearby transformer, to an outlet in your home or business.

We've taken apart a simple electric.

Find out how everything works with electric motor pictures. They offer drivers plenty of advantages compared to traditional engines, ranging from saving money to requiring minimal. A vehicle wiring diagram is a lot like a road map, according to search auto parts. Electrical wires are conductors that transmit electricity from a source, usually a nearby transformer, to an outlet in your home or business. These electric motor pictures take you inside a typical toy motor. They also conduct electricity in appliances and electronic devices. Replacing your electrical panel can be costly. Because faulty wiring is something no one wants to mess with. Do you really need to replace it? A home or vehicle is a maze of wiring and connections, making repairs and improvements a complex endeavor for some. Lightweight electric screwdrivers are designed to make the task easier, but they do so by sacrificing much of the power and ve. Cars and other products with electric motors are becoming increasingly popular, and that's not necessarily a bad thing. These simple visual representations all.

Find out how everything works with electric motor pictures. Lightweight electric screwdrivers are designed to make the task easier, but they do so by sacrificing much of the power and ve. Replacing your electrical panel can be costly. Trying to find the right automotive wiring diagram for your system can be quite a daunting task if you don't know where to look. These electric motor pictures take you inside a typical toy motor.

Cars and other products with electric motors are becoming increasingly popular, and that's not necessarily a bad thing. Remote Control Drill Motor How A Mosfet Works Youtube
Remote Control Drill Motor How A Mosfet Works Youtube from i.ytimg.com
Luckily, there are some places that may have just what you need. Find out how everything works with electric motor pictures. A home or vehicle is a maze of wiring and connections, making repairs and improvements a complex endeavor for some. A vehicle wiring diagram is a lot like a road map, according to search auto parts. Spending all day driving screws is a tiring job, especially if the tool you're using to do it is bulky and heavy. This is an experiment that will show how a motor workswhat you need a brushed motor2 bearings that will hold the rotorpopsicle stickhot glueplierssoldersoldering ironwiresbattery 1,304 14 2 this is an experiment that wil. Because faulty wiring is something no one wants to mess with. They offer drivers plenty of advantages compared to traditional engines, ranging from saving money to requiring minimal.

Learn the best uses for the different types of drills.

It drills holes of many kinds, of course, but it can sand and grind, too, as well as drive screw. Electrical wires are conductors that transmit electricity from a source, usually a nearby transformer, to an outlet in your home or business. Check out this guide to oven wiring problems, and to finding those oven wiring diagrams that you need. These electric motor pictures take you inside a typical toy motor. Spending all day driving screws is a tiring job, especially if the tool you're using to do it is bulky and heavy. Trying to find the right automotive wiring diagram for your system can be quite a daunting task if you don't know where to look. Learn the best uses for the different types of drills. A home or vehicle is a maze of wiring and connections, making repairs and improvements a complex endeavor for some. Lightweight electric screwdrivers are designed to make the task easier, but they do so by sacrificing much of the power and ve. Because faulty wiring is something no one wants to mess with. We've taken apart a simple electric. A vehicle wiring diagram is a lot like a road map, according to search auto parts. Advertisement have you ever wondered what goes on inside an electric motor?

A vehicle wiring diagram is a lot like a road map, according to search auto parts. Lightweight electric screwdrivers are designed to make the task easier, but they do so by sacrificing much of the power and ve. Advertisement have you ever wondered what goes on inside an electric motor? A home or vehicle is a maze of wiring and connections, making repairs and improvements a complex endeavor for some. These electric motor pictures take you inside a typical toy motor.

Check out this guide to oven wiring problems, and to finding those oven wiring diagrams that you need. Inside A Cordless Drill With Schematic Gearbox Autopsy Youtube
Inside A Cordless Drill With Schematic Gearbox Autopsy Youtube from i.ytimg.com
A vehicle wiring diagram is a lot like a road map, according to search auto parts. Advertisement have you ever wondered what goes on inside an electric motor? Lightweight electric screwdrivers are designed to make the task easier, but they do so by sacrificing much of the power and ve. Learn the best uses for the different types of drills. Cars and other products with electric motors are becoming increasingly popular, and that's not necessarily a bad thing. These electric motor pictures take you inside a typical toy motor. Because faulty wiring is something no one wants to mess with. This is an experiment that will show how a motor workswhat you need a brushed motor2 bearings that will hold the rotorpopsicle stickhot glueplierssoldersoldering ironwiresbattery 1,304 14 2 this is an experiment that wil.

A home or vehicle is a maze of wiring and connections, making repairs and improvements a complex endeavor for some.

Repairing an electrical problem with your oven is definitely easier when you find the right oven wiring diagram. Learning to read and use wiring diagrams makes any of these repairs safer endeavors. These simple visual representations all. Learn the best uses for the different types of drills. Advertisement have you ever wondered what goes on inside an electric motor? Spending all day driving screws is a tiring job, especially if the tool you're using to do it is bulky and heavy. Do you really need to replace it? Check out this guide to oven wiring problems, and to finding those oven wiring diagrams that you need. We've taken apart a simple electric. Lightweight electric screwdrivers are designed to make the task easier, but they do so by sacrificing much of the power and ve. Because faulty wiring is something no one wants to mess with. A home or vehicle is a maze of wiring and connections, making repairs and improvements a complex endeavor for some. These electric motor pictures take you inside a typical toy motor.

Electric Drill Motor Wiring Diagram / Wiring Ac Electric Drill Without Switch Doityourself Com Community Forums -. Do you really need to replace it? Because faulty wiring is something no one wants to mess with. Luckily, there are some places that may have just what you need. Trying to find the right automotive wiring diagram for your system can be quite a daunting task if you don't know where to look. Replacing your electrical panel can be costly.

Cars and other products with electric motors are becoming increasingly popular, and that's not necessarily a bad thing electric drill motor diagram. Luckily, there are some places that may have just what you need.

Tidak ada komentar :

Posting Komentar

Leave A Comment...